Il modulo di rilevamento laser STA-AM30X utilizza la tecnologia Time-of-Flight (TOF) per ottenere misurazioni precise della distanza da 10 metri a 4000 metri. Supporta una frequenza compresa tra 1 Hz e 10 Hz e dispone di un'interfaccia di comunicazione UART (TTL 3,3 V). Le funzioni includono la portata a scatto singolo, la portata continua, il riconoscimento del primo/ultimo bersaglio e la portata multi-bersaglio, rendendolo adatto per applicazioni di misurazione della distanza ad alta precisione.
| Progetto | Indicatori di prestazione | |
| Modello | STA-AM30X | |
| Indicatori di prestazione | Lunghezza d'onda del laser | 1535±5 nm |
| Sicurezza degli occhi | Classe Ⅰ (IEC 60825-1) | |
| Angolo di divergenza | ≤0,6 mrad | |
| Energia laser | Progetto | |
| Campo visivo (FOV) | ~ 7.4mrad | |
| Campo di misurazione massimo (visibilità > 8 km) | ≥ 4000 m al 60% di riflettività, obiettivo di costruzione | |
| ≥3000 m al 30% di riflettività, target 2,3×2,3 m | ||
| ≥1500 m al 30% di riflettività, target 0,5×1,7 m | ||
| ≥800 m al 30% di riflettività, target 0,2×0,3 m | ||
| Portata minima | ≤10 m | |
| Frequenza di intervallo | 1 Hz ~ 10 Hz | |
| Rilevamento multi-bersaglio | Fino a 3 bersagli | |
| Precisione di portata | ±1 m | |
| Tasso di precisione | ≥98% | |
| Tasso di falsi allarmi | ≤1% | |
| Specifiche elettriche | Tipo di interfaccia | UART (TTL 3,3 V) |
| Tensione di alimentazione | CC 3~5 V | |
| Consumo energetico in standby (intervallo di temperatura completo) | ≤10 mW (accensione ridotta) | |
| ≤0,8 W (accensione al massimo) | ||
| Consumo energetico operativo (intervallo di temperatura completo) | 5 V. ≤ 0,9 W a 1 Hz | |
| 5 V, <1. 5 W a 10 Hz | ||
| Consumo energetico di picco | <3 W@5 V | |
| Orario di avvio | ≤350ms (dopo l'avvio, tempo di risposta ≤20ms) | |
| Caratteristiche fisiche | Peso | ≤ 141 g |
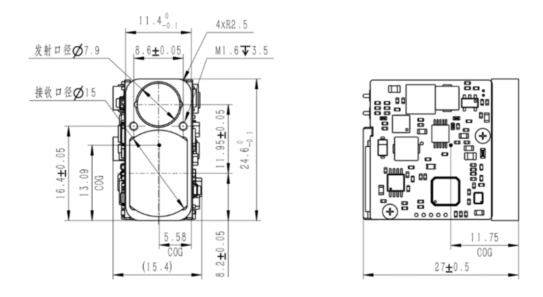
| Dimensioni | ≤ 27×25×15,5 mm(L×L×A) | |
| Shock | 1200 g, 1 ms | |
| Vibrazione | 5~50~5 Hz, 1 ottava/min, 2,5 g | |
| 2.1.2 Ritorno del modulo di rilevamento laser: | Temperatura operativa | -40~+70℃ |
| Temperatura di conservazione | -45~+70℃ | |
| Affidabilità | MTBF>1500h | |
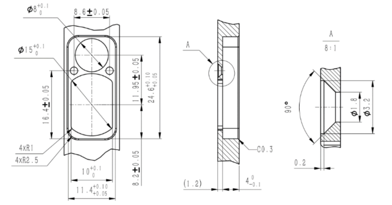
Le dimensioni consigliate della staffa di montaggio sono le seguenti:
Schema di installazione:
Tipo di interfaccia: UART (TTL 3,3 V)
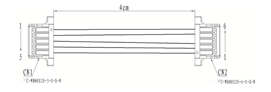
Modello connettore: FWF08002-S06B13W5M (connettore Tesla)
| Spillo | Definizione | Descrizione | |
| 1 | ACCENSIONE_ON | Interruttore di alimentazione del modulo, livello TTL 3,3 V; modulo acceso (>2,7 V), modulo spento (<0,3 V) | |
| 2 | UART_RX | Ricevitore porta seriale, livello TTL 3,3 V | |
| 3 | UART_TX | Trasmettitore porta seriale, livello TTL 3,3 V | |
| 4 | NC | ||
| 5 | Potenza positiva | Alimentazione, 3~5V | |
| 6 | GND | Terra della porta seriale |
Definizione del cavo:
Pinout del cavo corrispondente:
| CN1(C-WBO812H-5-1-S-N) | CN2(C-WBO812H-6-1-S-N) | Specifiche del cavo | Colore |
| 1 | 6 | AWG32 | Nero |
| 2 | 5 | AWG32 | Rosso |
| 3 | 3 | AWG32 | Giallo |
| 4 | 2 | AWG32 | Verde |
| 5 | 1 | AWG32 | Bianco |
1 Descrizione del protocollo
1.1 Velocità e formato della comunicazione
| Formato standard | Velocità in baud: 115200bps (impostazione predefinita) / 57600bps / 38400bps / 9600bps Formato dati byte: 1 bit di inizio, 8 bit di dati, 1 bit di stop, nessuna verifica |
1.2 Formato base del pacchetto
| Descrizione della sezione | Lunghezza della sezione (numero di byte) | Intervallo di valori | Osservazioni |
| Intestazione del frame | 2 | 0xEE0x16 | Valore fisso |
| Lunghezza dei dati | 1 | 2~7 | La lunghezza dei dati è il numero totale di byte nelle tre parti: codice dispositivo, codice comando e parametri comando |
| Codice attrezzatura | 1 | 0x03 | Valore fisso, modulo di portata LRF serie S |
| Codice di comando | 1 | 0~255 | Indica l'oggetto di controllo del comando di controllo corrente |
| Parametri di comando | 0~4 | 0~255 | Indica i parametri dell'oggetto di controllo del comando di controllo corrente |
| Somma di controllo | 1 | 0~255 | Il checksum è la somma di tutti i dati byte nelle tre parti del codice dell'apparecchiatura, del codice di comando e dei parametri di comando, con gli 8 bit inferiori |
1.3 comando di controllo (sistema→modulo di portata)
| Codice di comando | Spiegare | Byte dei parametri di comando |
| 0x01 | Autoispezione dell'attrezzatura | 0 |
| 0x02 | Gamma singola | 0 |
| 0x03 | Imposta il primo/ultimo/obiettivi multipli | 1 |
| 0x04 | Gamma continua | 0 |
| 0x05 | 3.3.1 Modalità di portata | 0 |
| 0xA0 | Imposta la velocità di trasmissione del modulo di rilevamento laser | 4 |
| 0xA1 | Imposta la frequenza a portata continua | 2 |
| 0xA2 | Imposta la distanza minima di accesso | 2 |
| 0xA3 | Interrogare la distanza minima di accesso | 0 |
| 0xA4 | Distanza massima di accesso | 2 |
| 0xA5 | Interrogare la distanza massima di gate | 0 |
| 0xA6 | Interrogare il numero di versione del software FPGA | 0 |
| 0xA7 | Interrogare il numero di versione del software MCU | 0 |
| 0xA8 | Interrogare il numero di versione dell'hardware | 0 |
| 0xA9 | Richiedi il numero Sn | 0 |
| 0x90 | Tempi totali di emissione luminosa | 0 |
| 0x91 | Interroga gli orari di accensione e spegnimento questa volta | 0 |
1.4 Dati di risposta (modulo di range→sistema)
| Codice di comando | Spiegare | Byte dei parametri di comando |
| 0x01 | Autoispezione dell'attrezzatura | 4 |
| 0x02 | Gamma singola | 7 |
| 0x03 | Imposta il primo/ultimo/obiettivi multipli | 0 |
| 0x04 | Gamma continua | 4 |
| 0x05 | 3.3.1 Modalità di portata | 0 |
| 0x06 | Anomalia della portata (solo quando lo stato nel comando di anomalia della portata è anomalo, il comando viene restituito dopo la restituzione del comando di risposta della portata singola o della portata continua) | 4 |
| 0xA0 | Imposta la velocità di trasmissione del modulo di rilevamento laser | 4 |
| 0xA1 | Imposta la frequenza a portata continua | 2 |
| 0xA2 | Imposta la distanza minima di accesso | 2 |
| 0xA3 | Interrogare la distanza minima di accesso | 2 |
| 0xA4 | Distanza massima di accesso | 2 |
| 0xA5 | Interrogare la distanza massima di gate | 2 |
| 0xA6 | Interrogare il numero di versione del software FPGA | 4 |
| 0xA7 | Interrogare il numero di versione del software MCU | 4 |
| 0xA8 | Interrogare il numero di versione dell'hardware | 4 |
| 0xA9 | Richiedi il numero Sn | 3 |
| 0x90 | Tempi totali di emissione luminosa | 3 |
| 0x91 | Interroga gli orari di accensione e spegnimento questa volta | 3 |
1.5 Processo operativo
Come materiale per la finestra ottica si consiglia il vetro ottico H-K9L. H-K9L è il vetro ottico incolore più comune, adatto per la gamma laser da 300 nm a 2100 nm. Ha un elevato rapporto costo-prestazioni e proprietà fisiche superiori.
2 Convenzione specifica
2.1 Autoispezione dell'attrezzatura
2.1.1 Invia al modulo di rilevamento laser:
| Byte | 0 | 1 | 2 | 3 | 4 | 5 |
| Descrivere | 0xEE | 0x16 | 0x02 | 0x03 | 0x01 | 0x04 |
2.1.2 Ritorno del modulo di rilevamento laser:
| Byte | 0 | 1 | 2 | 3 | 4 | 5 | 6 | 7 | 8 | 9 |
| Descrivere | 0xEE | 0x16 | 0x06 | 0x03 | 0x01 | Stato3 | Stato2 | Stato1 | Stato0 | Check_sum |
| Status3: riservatoStatus2: intensità dell'eco 0x00~0xFFStatus1: bit0 - Stato del sistema FPGA; 1 Normale 0 Eccezione bit1 - stato di uscita della luce laser; 1 uscita luce 0 nessuna luce2 - stato di rilevamento dell'onda principale; 1 onda principale 0 nessuna onda principale bit3 -- stato di rilevamento dell'eco; 1 echo 0 no echobit4 -- stato interruttore bias; 1 bias on 0 bias offbit5 - stato di uscita bias; 1 la tensione di polarizzazione è normale 0 polarizzazione anomalabit6 - stato della temperatura; 1 la temperatura è normale 0 temperatura anomala bit7 -- stato uscita luce spenta; 1 valido 0 non validoStatus0: bit0 - stato di alimentazione 5v6; 1 normale 0 eccezione | ||||||||||
2.2 Gamma singola
2.2.1 Invia al modulo di rilevamento laser:
| Byte | 0 | 1 | 2 | 3 | 4 | 5 |
| Descrivere | 0xEE | 0x16 | 0x02 | 0x03 | 0x02 | 0x05 |
2.2.2 Ritorno del modulo di rilevamento laser:
| Byte | 0 | 1 | 2 | 3 | 4 | 5 | 6 | 7 | 8 | 9 |
| Descrivere | 0xEE | 0x16 | 0x06 | 0x03 | 0x02 | Stato | Valore di intervallo intero alto 8 bit | Valore di intervallo intero inferiore a 8 bit | Valore compreso tra cifre decimali | Check_sum |
| Quando si misura il primo/ultimo target: Stato: 0x00 indica che il risultato della misurazione è un singolo target; 0x01 indica che nel risultato della misurazione è presente un bersaglio anteriore; 0x02 indica che nel risultato della misurazione è presente un bersaglio posteriore; 0x03 riservato; 0x04 indica che il risultato dell'intervallo è fuori intervallo; 0x05 riservato; In caso di range multi-target: Status_ bit3~0: 0x0 indica che il risultato del range è un target singolo; 0x1 indica che nel risultato della misurazione è presente un bersaglio frontale; 0x2 indica che nel risultato della distanza è presente un bersaglio posteriore; 0x3 indica che il risultato della distanza ha un bersaglio anteriore e un bersaglio posteriore; 0x4 indica che il risultato dell'intervallo è fuori intervallo; 0x5 riservato;Status_ bit7~4: 0x0 ~ 0xf indica il numero del risultato della distanza corrente; Intervallo di valori [0, N-1], numero di target 1 ≤ N ≤ 16; Valore di intervallo = valore di intervallo intero alto 8 bit × 256 + valore di intervallo intero basso 8 bit + valore di intervallo bit decimali × 0,1, unità m | ||||||||||
2.1.2 Ritorno del modulo di rilevamento laser:
2.3.1 Invia al modulo di rilevamento laser:
| Byte | 0 | 1 | 2 | 3 | 4 | 5 | 6 |
| Descrivere | 0xEE | 0x16 | 0x03(lunghezza dati) | 0x03 | 0x03 | Bersaglio | Check_sum |
| Target:0x01 Imposta il primo intervallo target; 0x02 imposta l'intervallo di destinazione del terminale; 0x03 imposta la portata multi-target; | |||||||
2.3.2 Ritorno del modulo di rilevamento laser:
| Byte | 0 | 1 | 2 | 3 | 4 | 5 |
| Descrivere | 0xEE | 0x16 | 0x02 | 0x03 | 0x03 | 0x06 |
2.4 Gamma continua
2.4.1 Invia al modulo di rilevamento laser:
| Byte | 0 | 1 | 2 | 3 | 4 | 5 |
| Descrivere | 0xEE | 0x16 | 0x02 | 0x03 | 0x03 | 0x06 |
2.4.2 Ritorno del modulo di rilevamento laser:
| Byte | 0 | 1 | 2 | 3 | 4 | 5 | 6 | 7 | 8 | 9 |
| Descrivere | 0xEE | 0x16 | 0x06 | 0x03 | 0x04 | Stato | Valore di intervallo intero alto 8 bit | Valore di intervallo intero inferiore a 8 bit | Valore compreso tra cifre decimali | Check_sum |
| Quando si misura il primo e l'ultimo target: Stato: 0x00 indica che il risultato della misurazione è un singolo target; 0x01 indica che nel risultato della misurazione è presente un bersaglio anteriore; 0x02 indica che nel risultato della misurazione è presente un bersaglio posteriore; 0x03 riservato; 0x04 indica che il risultato dell'intervallo è fuori intervallo; 0x05 riservato; In caso di range multi-target: Status_ bit3~0: 0x0 indica che il risultato del range è un target singolo; 0x1 indica che nel risultato della misurazione è presente un bersaglio anteriore; 0x2 indica che nel risultato della distanza è presente un bersaglio posteriore; 0x3 indica che il risultato della distanza ha un bersaglio anteriore e un bersaglio posteriore; 0x4 indica che il risultato dell'intervallo è fuori intervallo; 0x5 riservato;Status_ bit7~4: 0x0 ~ 0xf indica il numero del risultato della distanza corrente; Intervallo di valori [0, N-1], numero di target 1 ≤ N ≤ 16; | ||||||||||
2.5 Smettere di spaziare
2.5.1 Invia al modulo di rilevamento laser:
| Byte | 0 | 1 | 2 | 3 | 4 | 5 |
| Descrivere | 0xEE | 0x16 | 0x02 | 0x03 | 0x05 | 0x08 |
2.5.2 Ritorno del modulo di rilevamento laser:
| Byte | 0 | 1 | 2 | 3 | 4 | 5 |
| Descrivere | 0xEE | 0x16 | 0x02 | 0x03 | 0x05 | 0x08 |
2.6 Anomalia di portata
Ritorno del modulo di rilevamento laser:
| Byte | 0 | 1 | 2 | 3 | 4 | 5 | 6 | 7 | 8 | 9 | |
| Descrivere | 0xEE | 0x16 | 0x06 | 0x03 | 0x06 | prenotare | prenotare | prenotare | Stato1 | Check_sum | |
| Stato1: bit0: stato del sistema FPGA; 1 normale 0 eccezione Bit1 -- stato di uscita della luce laser; 1 uscita luce 0 nessuna luce Bit2 -- stato rilevamento onda principale; 1 onda principale 0 nessuna onda principale Bit3 -- stato rilevamento eco; 1 eco 0 nessuna eco Bit4 -- stato interruttore bias; 1 bias on 0 bias off Bit5 -- stato uscita bias; 1 La tensione di polarizzazione è normale 0 polarizzazione anomala Bit6 -- stato della temperatura; 1 La temperatura è normale 0 temperatura anomala Bit7 - stato uscita luce spenta; 1 valido 0 non valido Questa istruzione viene restituita solo quando bit0~7 nello stato 1 è anomalo. | |||||||||||
2.7 Impostare la velocità di trasmissione del modulo di rilevamento laser
2.7.1 Invia al modulo di rilevamento laser:
| Byte | 0 | 1 | 2 | 3 | 4 | 5 | 6 | 7 | 8 | 9 |
| Descrivere | 0xEE | 0x16 | 0x06 | 0x03 | 0xA0 | BaudAlto24 | BaudAlto16 | BaudLow8 | BaudBasso0 | Check_sum |
2.7.2 Ritorno del modulo di rilevamento laser:
| Byte | 0 | 1 | 2 | 3 | 4 | 5 | 6 | 7 | 8 | 9 |
| Descrivere | 0xEE | 0x16 | 0x06 | 0x03 | 0xA0 | BaudAlto24 | BaudAlto16 | BaudLow8 | BaudBasso0 | Check_sum |
2.8 Impostare la frequenza a portata continua
2.8.1 Invia al modulo di rilevamento laser:
| Byte | 0 | 1 | 2 | 3 | 4 | 5 | 6 | 7 |
| Descrivere | 0xEE | 0x16 | 0x04(lunghezza dati) | 0x03 | 0x0A1 | Freq | Num | Check_sum |
| Freq: 0x01~0x0A Frequenza a range singolo/continuo Numero: 0x00 riserva | ||||||||
2.4.2 Ritorno del modulo di rilevamento laser:
| Byte | 0 | 1 | 2 | 3 | 4 | 5 |
| Descrivere | 0xEE | 0x16 | 0x02 | 0x03 | 0xA1 | 0xA4 |
2.9 Impostare la distanza minima di accesso
2.9.1 Invia al modulo di rilevamento laser:
| Byte | 0 | 1 | 2 | 3 | 4 | 5 | 6 | 7 |
| Descrivere | 0xEE | 0x16 | 0x04(lunghezza dati) | 0x03 | 0xA2 | PIATTO | DIS_L | Check_sum |
| DIS_H: distanza alta 8 bitDIS_L: distanza inferiore 8 bitDIS: 10~20000 Intervallo minimo della distanza di gate, in M | ||||||||
2.9.2 Ritorno del modulo di rilevamento laser:
| Byte | 0 | 1 | 2 | 3 | 4 | 5 | 6 | 7 |
| Descrivere | 0xEE | 0x16 | 0x04(lunghezza dati) | 0x03 | 0xA2 | PIATTO | DIS_L | Check_sum |
| DIS_H: distanza alta 8 bitDIS_L: distanza inferiore 8 bitDIS: 10~20000 Intervallo minimo della distanza di gate, in M | ||||||||
3.3.2 Impostazione del gate a distanza
2.10.1 Invia al modulo di rilevamento laser:
| Byte | 0 | 1 | 2 | 3 | 4 | 5 |
| Descrivere | 0xEE | 0x16 | 0x02 | 0x03 | 0xA3 | 0xA6 |
2.10.2 Ritorno del modulo di rilevamento laser:
| Byte | 0 | 1 | 2 | 3 | 4 | 5 | 6 | 7 |
| Descrivere | 0xEE | 0x16 | 0x04(lunghezza dati) | 0x03 | 0xA3 | PIATTO | DIS_L | Check_sum |
| DIS_H: distanza alta 8 bitDIS_L: distanza inferiore 8 bitDIS: 10~20000 Intervallo minimo della distanza di gate, in M | ||||||||
2.11 Impostare la distanza massima di accesso
2.11.1 Invia al modulo di rilevamento laser:
| Byte | 0 | 1 | 2 | 3 | 4 | 5 | 6 | 7 |
| descrivere | 0xEE | 0x16 | 0x04(lunghezza dati) | 0x03 | 0xA4 | PIATTO | DIS_L | Check_sum |
| DIS_H: distanza alta 8 bitDIS_L: distanza inferiore 8 bitDIS: 10~20000 Intervallo minimo della distanza di gate, in M | ||||||||
| Byte | 0 | 1 | 2 | 3 | 4 | 5 | 6 | 7 |
| descrivere | 0xEE | 0x16 | 0x04(lunghezza dati) | 0x03 | 0xA4 | PIATTO | DIS_L | Check_sum |
| DIS_H: distanza alta 8 bitDIS_L: distanza inferiore 8 bitDIS: 10~20000 Intervallo minimo della distanza di gate, in M | ||||||||
2.12 Interrogare la distanza massima di gate
≤0,8 W (accensione al massimo)
| Byte | 0 | 1 | 2 | 3 | 4 | 5 |
| descrivere | 0xEE | 0x16 | 0x02 | 0x03 | 0xA5 | 0xA8 |
| Byte | 0 | 1 | 2 | 3 | 4 | 5 | 6 | 7 |
| descrivere | 0xEE | 0x16 | 0x04(lunghezza dati) | 0x03 | 0xA5 | PIATTO | DIS_L | Check_sum |
| DIS_H: distanza alta 8 bitDIS_L: distanza inferiore 8 bitDIS: 10~20000 Intervallo minimo della distanza di gate, in M | ||||||||
2.13 Richiedere il numero di versione del software FPGA
2.13.1 Invia al modulo di rilevamento laser:
| Byte | 0 | 1 | 2 | 3 | 4 | 5 |
| descrivere | 0xEE | 0x16 | 0x02 | 0x03 | 0xA6 | 0xA9 |
2.13.2 Ritorno del modulo di rilevamento laser:
| Byte | 0 | 1 | 2 | 3 | 4 | 5 | 6 | 7 | 8 | 9 |
| descrivere | 0xEE | 0x16 | 0x06 | 0x03 | 0xA6 | Versione | Data | LunAnno | Autore | Check_sum |
| Versione: bit7~bit4 Numero di versione principale(1~15) bit3~bit0 Numero di versione secondaria(0~15)ad esempio: 0x10——V1.0Data: Data(1~31)LunYear: bit7~bit4 mese(1~12)bit3~bit0 anno particolare(0~15), corrispondente a 2020-2035Autore: 0x6c cliu; 0x5d dwu 0xcc cycheng | ||||||||||
2.14 Interrogare il numero di versione del software MCU
2.14.1 Invia al modulo di rilevamento laser:
| Byte | 0 | 1 | 2 | 3 | 4 | 5 |
| descrivere | 0xEE | 0x16 | 0x02 | 0x03 | 0xA7 | 0xAA |
| Byte | 0 | 1 | 2 | 3 | 4 | 5 | 6 | 7 | 8 | 9 |
| descrivere | 0xEE | 0x16 | 0x06 | 0x03 | 0xA7 | Versione | Data | LunAnno | Autore | Check_sum |
| Versione: bit7~bit4 Numero di versione principale(1~15)bit3~bit0 Numero di versione secondaria(0~15)ad esempio: 0x10——V1.0Data: Data(1~31)LunYear: bit7~bit4 mese(1~12)bit3~bit0 anno particolare(0~15A), corrispondente a 2020-2035Autore: 0x00 jyang 0xf1 llfu 0x01 zqxiong | ||||||||||
2.15 Interrogare il numero di versione dell'hardware
2.15.1 Invia al modulo di rilevamento laser:
| Byte | 0 | 1 | 2 | 3 | 4 | 5 |
| descrivere | 0xEE | 0x16 | 0x02 | 0x03 | 0xA8 | 0xAB |
2.15.2 Ritorno del modulo di rilevamento laser:
| Byte | 0 | 1 | 2 | 3 | 4 | 5 | 6 | 7 | 8 | 9 | |
| descrivere | 0xEE | 0x16 | 0x06 | 0x03 | 0xA8 | MBVS | CTV | APDVS | LDVS | Check_sum | |
| Se l'intera integrazione del sistema utilizza una lente per finestra, si consiglia che la lente abbia una trasmittanza >98% per la banda di lunghezza d'onda 1535±20 nm, con uno spessore ≤ 2 mm. La distanza tra la lente e la superficie terminale del modulo deve essere ≤3 mm, l'angolo di imbardata ≤1,5° e l'angolo di beccheggio ≤30°. | |||||||||||
2.16 Richiedi il numero Sn
2.16.1 Invia al modulo di rilevamento laser:
| Byte | 0 | 1 | 2 | 3 | 4 | 5 |
| descrivere | 0xEE | 0x16 | 0x02 | 0x03 | 0xA9 | CTV |
2.16.2 Ritorno del modulo di rilevamento laser:
| Byte | 0 | 1 | 2 | 3 | 4 | 5 | 6 | 7 | 8 |
| descrivere | 0xEE | 0x16 | 0x05 | 0x03 | 0xA9 | LunAnno | Num_H | Num_L | Check_sum |
| Monyear: bit7 ~ bit4 mesi (1 ~ 12) Bit3 ~ bit0 anni (0 ~ 15), corrispondenti a 2020 ~ 2035Num_ H: il numero è alto 8 cifreNum_ 50: 8 cifre inferiori di NoNum: 1 ~ 999 No | |||||||||
2.17 Tempi totali di emissione luminosa
2.17.1 Invia al modulo di rilevamento laser:
| Byte | 0 | 1 | 2 | 3 | 4 | 5 |
| descrivere | 0xEE | 0x16 | 0x02 | 0x03 | 0x90 | 0x93 |
| Byte | 0 | 1 | 2 | 3 | 4 | 5 | 6 | 7 | 8 |
| descrivere | 0xEE | 0x16 | 0x05 | 0x03 | 0x90 | PNUM3 | PNUM1 | PNUM1 | Check_sum |
| PNUM3: tempi totali di emissione luminosa, bit23 ~ bit16PNUM2: tempi totali di emissione luminosa, bit15 ~ bit8PNUM1: tempi totali di emissione luminosa, bit7 ~ bit0 | |||||||||
2.18 Questa volta interrogare gli orari di accensione e spegnimento
2.18.1 Invia al modulo di rilevamento laser:
| Byte | 0 | 1 | 2 | 3 | 4 | 5 |
| descrivere | 0xEE | 0x16 | 0x02 | 0x03 | 0x91 | 0x94 |
2.18.2 Ritorno del modulo di rilevamento laser:
| Byte | 0 | 1 | 2 | 3 | 4 | 5 | 6 | 7 | 8 |
| descrivere | 0xEE | 0x16 | 0x05 | 0x03 | 0x91 | PNUM3 | PNUM2 | PNUM1 | Check_sum |
| PNUM3: tempi totali di emissione luminosa, bit23 ~ bit16PNUM2: tempi totali di emissione luminosa, bit15 ~ bit8PNUM1: tempi totali di emissione luminosa, bit7 ~ bit0 | |||||||||
3 Esempio di istruzione
| 3.1 Autoispezione dell'attrezzaturaSEND: ee 16 02 03 01 04RECV: ee 16 06 03 01 ff 00 f7 ff f9 | 3.5 Imposta il primo targetSEND: ee 16 03 03 03 01 07RECV: ee 16 02 03 03 06 |
| 3.2 Gamma singolaSEND: ee 16 02 03 02 05RECV: ee 16 06 03 02 04 00 00 00 09 | 3.6 Imposta obiettivo finaleSEND: ee 16 03 03 03 02 08 RECV: ee 16 02 03 03 06 |
| 3.3 Gamma continuaSEND: ee 16 02 03 04 07RECV: ee 16 06 03 04 04 00 00 00 0bRECV: ee 16 06 03 04 04 00 00 00 0bRECV: …… | 3.7 Imposta target multipliSEND: ee 16 03 03 03 03 09 RECV: ee 16 02 03 03 06 |
| 3.4 Interruzione dell'intervallo SEND: per 16 02 03 05 08RECV: per 16 02 03 05 08 | 3.8 Impostazione della frequenza a range continuo 1HzSEND: ee 16 04 03 a1 01 00 a5RECV: ee 16 02 03 a1 a4 |
| 3.9 Impostazione della frequenza a range continuo 5HzSEND: ee 16 04 03 a1 05 00 a9RECV: ee 16 02 03 a1 a4 |
1. Per consentire agli operatori di utilizzare in modo sicuro e corretto varie funzioni del telemetro laser miniaturizzato STA-AM30X, questo manuale di funzionamento e manutenzione fornisce istruzioni sul suo funzionamento e manutenzione. È applicabile agli operatori e al personale di manutenzione di questo prodotto.
Il telemetro laser miniaturizzato STA-AM30X (di seguito denominato telemetro laser) è un prodotto optoelettronico di precisione che emette il laser verso il bersaglio misurato e calcola le informazioni sulla distanza in base al tempo di volo del laser. Questo telemetro laser comunica attraverso l'interfaccia di comunicazione Uart (TTL_3.3V) ed è caratterizzato da prestazioni eccezionali e funzionamento semplice. È vietata l'esposizione diretta del laser di questo telemetro agli occhi umani.
2.1 Raccomandazioni sui materiali
Come materiale per la finestra ottica si consiglia il vetro ottico H-K9L. H-K9L è il vetro ottico incolore più comune, adatto per la gamma laser da 300 nm a 2100 nm. Ha un elevato rapporto costo-prestazioni e proprietà fisiche superiori.
2.2 Raccomandazioni per il trattamento
La tolleranza dell'angolo di cuneo della finestra ottica dovrebbe essere la più piccola possibile. Si raccomanda che la tolleranza dell'angolo del cuneo sia ≤ 3' (grado di tolleranza ≤ livello 7);
La superficie ottica della finestra ottica deve essere quanto più liscia possibile. Si raccomanda che la deviazione media aritmetica del profilo (Ra) sia 0,012.
2.3 Raccomandazioni sul rivestimento
Se l'intera integrazione del sistema utilizza una lente per finestra, si consiglia che la lente abbia una trasmittanza >98% per la banda di lunghezza d'onda 1535±20 nm, con uno spessore ≤ 2 mm. La distanza tra la lente e la superficie terminale del modulo deve essere ≤3 mm, l'angolo di imbardata ≤1,5° e l'angolo di beccheggio ≤30°.
l È vietato conservare il telemetro laser in condizioni non specificate (come un ambiente altamente inquinato, superando l'intervallo di temperatura di conservazione, ecc.).
A seconda dell'ambiente di utilizzo specifico del prodotto, è possibile selezionare in aggiunta altre pellicole protettive come una pellicola idrofoba o una pellicola dura per il rivestimento sulla superficie esterna della finestra ottica. Per i restanti indicatori, fare riferimento a MIL-STD-810G e la trasmittanza dovrebbe essere ≥ 97%.
2.4 Raccomandazioni per la forma e l'uso della finestra ottica
L'apertura effettiva della finestra ottica dipende da diversi prodotti. La sua dimensione esterna dovrebbe garantire che l'apertura effettiva della finestra ottica - il diametro esterno della finestra ottica ≥ 2 mm e il diametro esterno dell'antenna a telemetro - la dimensione proiettata dell'apertura effettiva della finestra ottica ≥ 1,5 mm. Il diagramma schematico è mostrato come segue. Poiché la finestra ottica ha un certo assorbimento del laser, si consiglia di controllare lo spessore della finestra ottica stessa entro 2-4 mm in base alla dimensione esterna.
Poiché la finestra ottica ha un'elevata trasmittanza, si consiglia di controllare la deviazione assiale tra l'asse ottico di emissione e la normale della finestra ottica tra 0° e 2°. Il diagramma schematico della posizione della finestra ottica e dei due barilotti dell'obiettivo è mostrato come segue. Allo stesso tempo, il traferro tra la finestra ottica e il telemetro dovrebbe essere il più piccolo possibile. La Figura 4 mostra i diagrammi schematici del posizionamento della finestra ottica in due modi.
L'apertura effettiva della finestra ottica y2 - il diametro esterno della finestra ottica y1>2mm
Il diametro esterno dell'antenna del telemetroy3-la dimensione di proiezione dell'apertura effettiva della finestra ottica y2,>1,5 mm
Il traferro d tra la finestra ottica e il telemetro deve essere il più piccolo possibile L'apertura effettiva della finestra ottica x2 - il diametro esterno della finestra ottica x1>2 mm
Il diametro esterno dell'antenna del telemetro x3-la dimensione di proiezione dell'apertura effettiva della finestra ottica x2,>1,5 mm
Il traferro d tra la finestra ottica e il telemetro dovrebbe essere il più piccolo possibile
Diagrammi schematici di due modi delle dimensioni esterne e posizionamento della finestra ottica
3. Funzionamento Per comprendere appieno tutte le funzioni di questo sistema e padroneggiare correttamente i metodi di installazione, funzionamento e manutenzione, leggere attentamente il contenuto di questo capitolo prima di installare e utilizzare questo sistema.
3.1 Operazione di accensione
3.1.1 Prima dell'accensione
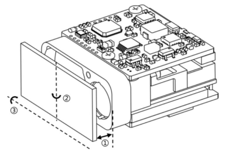
Collegare il telemetro laser, il cavo di debug, l'alimentatore CC e il computer host come mostrato in figura.
Diagramma schematico della connessione
3.1.2 Accensione
Operazione di accensione: collegare l'alimentazione.
3.2 Operazione di spegnimento
3.2.1 Prima dello spegnimento
Prima di spegnere, è necessario verificare che i processi di lavoro e le attività di ciascun prodotto siano nello stato terminato e che il programma sia uscito.
3.2.2 Spegnimento
Procedura per lo spegnimento: scollegare l'alimentazione.
3.3 Funzionamento
3.3.1 Modalità di portata
Metodo operativo della modalità di misurazione:
a) Inviare il comando "Single Ranging" al telemetro laser. Il telemetro laser eseguirà la misurazione singola e riporterà lo stato della misurazione e il valore della distanza.
f) Inviare il comando "10Hz Ranging" al telemetro laser. Il telemetro laser eseguirà la misurazione dieci volte al secondo e riporterà lo stato della misurazione e il valore della distanza.
c) Inviare il comando "Stop Ranging" per interrompere la misurazione.
d) Inviare il comando "5Hz Ranging" al telemetro laser. Il telemetro laser eseguirà la misurazione cinque volte al secondo e riporterà lo stato della misurazione e il valore della distanza.
e) Inviare il comando "Stop Ranging" per interrompere la misurazione.
f) Inviare il comando "10Hz Ranging" al telemetro laser. Il telemetro laser eseguirà la misurazione dieci volte al secondo e riporterà lo stato della misurazione e il valore della distanza.
g) Inviare il comando "Stop Ranging" per interrompere la misurazione.
3.3.2 Impostazione del gate a distanza
Gating a distanza significa impostare una sezione della distanza di gating (rappresentata in formato esadecimale) all'interno dell'intervallo di capacità di portata. Le informazioni sulla distanza target inferiori al valore di gating non verranno inviate indietro e il valore di portata superiore al valore di gating all'interno dell'intervallo di misurazione è il valore di portata effettivo.
Se è necessaria l'impostazione, il metodo operativo è il seguente:
a) Inviare il comando "Impostazione valore gating" al telemetro laser.
Invia il comando "Ranging" al telemetro laser. Il telemetro laser eseguirà la misurazione della distanza, determinerà se il valore della distanza rimandata è maggiore del valore di controllo della distanza, quindi riporterà il risultato della misurazione.
c) Inviare il comando "Stop Ranging" per interrompere l'operazione di range. Se la funzione di gating a distanza non è necessaria, le impostazioni iniziali devono essere ripristinate manualmente (impostare il valore di gating su 0).
3.3.3 Modalità di autocontrollo
Il metodo operativo dell'autocontrollo:
a) Inviare l'istruzione "Richiesta di autocontrollo" al telemetro laser. Il telemetro laser inizia a condurre un autocontrollo e restituisce informazioni come la temperatura ambiente attuale e lo stato di funzionamento.
4. Ispezione e manutenzione
4.1 Ispezione generale
L'ispezione visiva e l'ispezione all'accensione devono essere eseguite quando il prodotto viene utilizzato per la prima volta e dopo la sostituzione del modulo risorse. Per i prodotti in uso normale, prima dell'uso è richiesta solo l'ispezione all'accensione.
4.1.1 Ispezione visiva
Impossibile restituire le informazioni sulla comunicazione.
a) Controllare se l'aspetto del prodotto è normale;
b) Controllare se sono presenti errori nella connessione del cavo e la connessione deve essere salda.
4.1.2 Ispezione all'accensione
Le fasi dell'ispezione all'accensione sono le seguenti:
a) Completare l'operazione di accensione secondo i passaggi in 3.1;
b) Avviare il modulo di autotest;
c) Una volta completata l'ispezione, completare l'operazione di spegnimento secondo i passaggi in 3.2.
4.2 Manutenzione regolare
Il telemetro laser non necessita di manutenzione in normali condizioni di lavoro. La manutenzione è necessaria se viene conservata in un ambiente privo di polvere per più di un anno. Il contenuto della manutenzione include:
4.2.1 Ispezione generale
Effettuare un'ispezione generale del prodotto quando non è alimentato. I passaggi sono i seguenti:
a) Tutti i marchi e i numeri sul prodotto e sulla spina (presa) del cavo di prova devono essere corretti e chiari;
b) Tutti i tipi di viti sul pannello devono essere serrate;
c) È necessario garantire che non siano presenti attaccamenti come punti luminosi, butterati, macchie d'acqua, muffe, impronte digitali, particelle di polvere, ecc. e crepe che ostacolino la normale osservazione sul vetro ottico del prodotto visto visivamente.
4.2.2 Ispezione all'accensione
Effettuare un'ispezione e una manutenzione completa del telemetro laser quando è acceso. Il contenuto include:
a) Accendere il prodotto in sequenza;
b) Completare l'operazione di accensione secondo i passaggi in 3.1;
c) Avviare il modulo di autotest del prodotto e completare l'autotest del prodotto;
d) Completare l'operazione di spegnimento secondo i passaggi in 3.2.
5. Analisi dei sintomi di guasto e metodi di risoluzione dei problemi
Il telemetro laser è un prodotto di precisione. Quando si verifica un guasto, l'intero dispositivo deve essere restituito alla fabbrica per l'analisi, l'individuazione e la riparazione del guasto. Non è consentita l'autoriparazione.
I sintomi di guasto comuni e i metodi di risoluzione dei problemi sono mostrati nella tabella seguente.
Sintomi di errore comuni e metodi di risoluzione dei problemi
| Sintomi di guasto | 4.1 Ispezione generale | Metodo di ispezione | Misure per la risoluzione dei problemi |
| Il prodotto non può essere acceso normalmente. | a) Difetti nei cavi di alimentazione e di collegamento.b) Difetti circuitali. | Controllare l'alimentazione e il cavo di collegamento. | a) Sostituire l'alimentatore o il cavo di collegamento.b) b) In caso di guasto del circuito, contattare il produttore per ricevere assistenza nella risoluzione del problema. |
| Impossibile restituire le informazioni sulla comunicazione. | a) Guasto del cavo di collegamentob) Alimentazione anomalac) c) Guasto di comunicazione del telemetro laser | a) Controllare se il cavo di collegamento è normale.b) Controllare se l'alimentazione è normale. | a) Sostituire il cavo di collegamento e l'alimentatore. b) Per problemi di comunicazione contattare il produttore per ricevere assistenza nella loro risoluzione. |
6. Requisiti per l'imballaggio, il trasporto e lo stoccaggio
6.1 Imballaggio
I prodotti che sono stati aperti e necessitano di essere riforniti, devono essere imballati secondo l'imballaggio originale. Quando i prodotti devono essere restituiti alla fabbrica, è opportuno utilizzare il più possibile l'imballo originale. L'utilizzo di altre forme di imballaggio non dovrebbe causare una diminuzione delle prestazioni del prodotto o danni ai prodotti.
6.2 Trasporti
I prodotti riconfezionati possono essere trasportati mediante automobili, treni, aerei, navi, ecc. Durante il trasporto, gli articoli imballati devono essere fissati sui mezzi di trasporto per evitare fenomeni quali urti, movimentazione brusca ed esposizione a pioggia e neve. Per gli ambienti di trasporto stradale e ferroviario, fare riferimento a MIL-STD-810G.
6.3 Stoccaggio
I prodotti riconfezionati non devono essere conservati all'aperto in natura. Dovrebbero essere conservati in un magazzino con una temperatura di conservazione compresa tra 0 ℃ e +30 ℃, un'umidità relativa non superiore all'80%, esente dall'erosione di sostanze corrosive, forti vibrazioni meccaniche e urti e forti campi magnetici.
Per utilizzare questo prodotto in modo sicuro, leggere attentamente questo manuale di istruzioni prima di utilizzare il prodotto.
l Questo telemetro laser è un prodotto ottico e meccanico di precisione. L'utilizzo in violazione delle normative può causare pericolose lesioni da laser. Non aprire o regolare alcuna parte del telemetro laser e non tentare di riparare o regolare da soli le prestazioni del telemetro laser.
l Prestare attenzione alla protezione elettrostatica: i componenti elettronici del telemetro laser sono sensibili alle scariche elettrostatiche. Non toccare nessun dispositivo elettronico senza misure protettive.
l Accendere il telemetro laser solo per il funzionamento entro l'intervallo di tensione e potenza specificati.
l È vietato toccare le lenti ottiche con le dita o oggetti duri (per evitare contaminazioni di olio o graffi sulle lenti).
l È vietato misurare target ad alta riflettività a una distanza troppo ravvicinata (per evitare danni ai componenti principali del rilevatore, ecc.).
l È vietato conservare il telemetro laser in condizioni non specificate (come un ambiente altamente inquinato, superando l'intervallo di temperatura di conservazione, ecc.).
l È vietato sottoporre il telemetro laser a forti impatti meccanici (vibrazioni, colpi, cadute, ecc.).
Modulo LRF OEM/ODM 1-90 km
Shenzhen Jiguang Technology Co., Ltd
E-mail: sales@jioptics.com
Sito web:www.jioptics.com
Indirizzo: 2017 Longcheng Avenue, distretto di Longgang, Shenzhen